





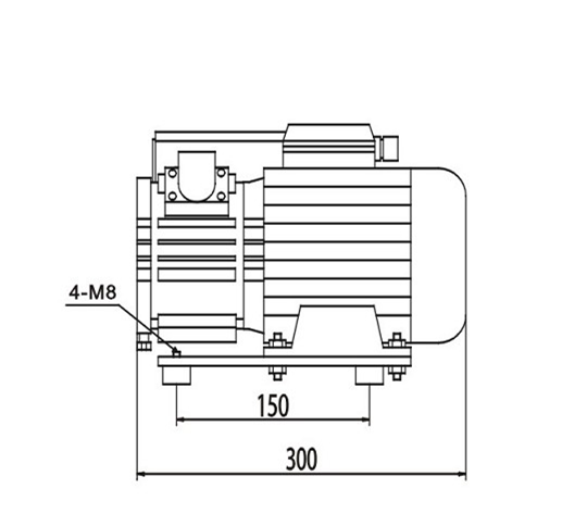
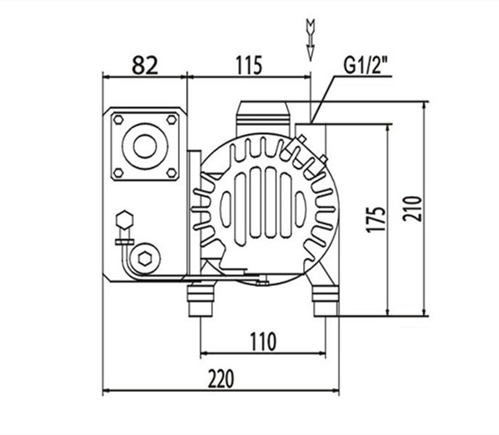
旋片式真空泵(簡稱旋片泵)是一種油封式機械真空泵。它可以單獨使用,也可以作為其它高真空泵或超高真空泵的前級泵。它已廣泛地應用于冶金、機械、軍工、電子、化工、輕工、石油及醫藥等生產和科研部門。
ML-系列真空泵的設計參考了多種國外同類產品的優點,并有創新與改進,充分體現了性能與使用成本的合理結合,是一種經濟,可靠,耐用,適用范圍寬廣的真空獲得設備,也是主機設備制造商配套及替代進口產品的理想選擇。
氣體類型: 常溫無其它混合物的清潔干燥空氣,不許有含其它粉塵及水分的空氣。
工作要求: 進口壓強在大于6500Pa時連續工作時間,不得超過3分鐘以免噴油引起泵損。
工作要求: 進口壓強在小于1330pa的條件下,允許長時期連續工作。
環境溫度: 真空泵一般在不低于5℃的室溫及不高于90%的相對濕度的環境內使用。
旋片式真空泵在清洗系統中被廣泛使用。這種類型的真空泵非常適合于此類應用需求,它也因此成為清洗系統干燥過程中的標準泵。旋片式真空泵使用壽命長且具有高真空度水平的強大真空發生器。然而,當涉及到具有很高的蒸汽發生幾率的清洗過程中,旋片式真空泵并不總是能夠防止蒸汽在真空泵的抽吸除去過程中發生冷凝的情況。與此同時,凝析油是真空泵油乳化。這可能導致滾動軸承和旋轉葉片不夠潤滑,造成真空泵零部件的磨損,吸入性能和預期的真空度也可能會受到影響。這些影響可以以通過更頻繁的破壞真空泵油和過濾器來維護和整體運營成本的上升。
我們的服務:
1:可提供樣品試用,7天內更換服務,全國服務
2:技術團隊24小時待命,提供技術解決服務
3:可根據您的需求,為您量身定制不同產品
4:倉儲式經營,大量現貨
5:產品質量保修一年,終身維護!
產品包裝:木箱或厚紙箱加泡沫保證產品安全。
貨運物流:我們合作物流(德邦)、(順豐)運輸快捷全國2-3天送達。


