中文一区在线I91成熟丰满女人少妇I香蕉视频久久I国内小视频在线观看I天天射天天干天天插I免费h视频

?

推薦產品

  • 臺冠JP-40H環保真空泵
  • 臺冠JP-240H無油真空泵
  • kawakeJP-140V活塞真空泵
  • 臺冠MLV0063B旋片式吸氣泵
  • ML-2XZ直聯旋片式真空泵
  • 臺冠MLB80-P干式旋片真空泵

聯系我們

東莞市馬力機電有限公司

電話:0769-85348618

傳真:0769-85343825

手機:13926800619/13650009957 譚生

網址:www.ylxys.cn

地址:東莞市虎門鎮上南路南柵第五工業區3號4樓

JP-100H冶具負壓真空泵
左滾動
  • JP-100H冶具負壓真空泵
  • JP-100H冶具負壓真空泵
  • JP-100H冶具負壓真空泵
  • JP-100H冶具負壓真空泵
右滾動
    JP-100H冶具負壓真空泵
  • 產品分類:治具行業產品真空泵
  • 名稱:JP-100H冶具負壓真空泵
  • 型號:JP-100H真空泵
  • 產品特性:1.真空度高達-95kap行業領先。 2.配有橡膠減震腳墊,運行更平穩。 3.100%無油、免維護。 4.靜音、噪音控制在60分貝左右。 5.體積小外形美觀。 6.都裝有過載保護器,不會因超負荷燒壞。
訂購熱線:13926800619

我要訂購

 

JP-100H冶具負壓真空泵

 

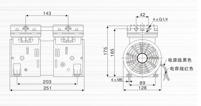
JP-100H冶具負壓真空泵外觀尺寸圖 

 

品名    / 參數

JP-100H

額定電壓/頻率 V/Hz

220V/50Hz,15uf

輸入功率 W

560W

最大氣流量 L/min(零壓)

100L/min(6m3/h)

最大真空度KPa(負壓)

-98Kpa(-750mmHg)

噪音 dB(A)

≤55dB(A)

使用環境溫度 

-5-40

絕緣等級

B

冷態絕緣電阻(常態)

≥100MΩ

耐電壓強度

1500V/50Hz 1min無擊穿

熱保護器

自動復位130±5

重量

8.0Kg

安裝尺寸

L203*W89mm(安裝孔6mm)

外形尺寸

L251*W128*H175mm(約)

重新啟動壓力

0KPa

進排氣孔螺紋規格

G1/4-俗稱2分(12.7MM)管螺紋

JP-100H冶具負壓真空泵流量曲線圖 

JP-100H冶具負壓真空泵配件圖

JP-100H冶具負壓真空泵分解圖


臺冠JP-100H真空泵可廣泛應用于醫療設備、汽車工業、自動控制、印刷機械、包裝機械、食品保鮮、水產養殖、水凈化處理、分析儀器、美容保健、廣告制作、設備維修、生物制藥、通訊電子、石油化工、環境檢測系統、高原地區制氧等領域;是工業化社會需要純凈和環保真空空間者的選擇。

1.將真空泵盡可能地放在通風好、灰塵少、濕度小的位置; 底座用橡膠減震腳或彈簧減震固定。
2.
進氣口接1/4-12NPT1/2-20NPT接頭或者其它規格接頭和進氣過濾消聲器等裝置,接好管子;出氣口接管或消音器。
3.
使用的電源應有足夠的容量,確認使用的電壓符合產品要求。
4.
按照接線要求接好電源與電容線。
5.
檢查真空泵各元件無異常后,將電源線插頭插到符合要求的電源插座上(電源插座必須接地良好),機器開始工作。
6.
調節調壓閥使壓力表指示所需壓力并穩定。
7.
真空泵不使用時,調節調壓閥排空空氣后,再切斷電源。
8.
嚴禁隨意拉扯引出線,以免造成損壞或造成產品故障。

1.機殼外部清理,請在切斷電源的情況下,用干燥柔軟的抹布清理機殼外部的灰塵污垢,每月至少清理一次。
2.
進氣過濾消音器的清洗,過濾消聲器過濾棉的清洗很重要,它直接影響真空泵的流量和壽命,每月至少清洗一次,請將消聲器擰下,拆開消聲器端蓋,取出過濾棉,用清水沖洗干凈,涼干,再安裝好使用。如果不能清洗干凈,請更換過濾棉。
3.
使用時請將底座和減震腳固定螺栓擰緊,盡量放在通風潔凈的地方。
4.
真空泵工作時,嚴禁觸及機上任何元件。
5.
本產品為臺冠JP-100H真空泵,嚴禁加油潤滑。
6.
產品長期不使用時,請將其清理干凈,放在通風干燥的地方。

1.正確選擇跟產品銘牌上相符合的電源與電容器,電源電壓超出使用范圍或電壓波動大時,請加穩壓裝置后再使用。
2.
本產品使用環境溫度-10+40℃海拔不高于1500m,超過1500m使用高原型真空泵。使用時,盡量放置于通風清潔場所。
3.
選用合適的進氣過濾消聲器,并定期清洗或更換。
4.
該產品使用的介質為空氣,如需用于其它的介質,請咨詢本公司400-833-1195
5.
當延長電源線時,應考慮電壓降。

我們的服務:

1:可提供樣品試用,7天內更換服務,全國服務

2:技術團隊24小時待命,提供技術解決服務

3:可根據您的需求,為您量身定制不同產品

4:倉儲式經營,大量現貨

5:產品質量保修一年,終身維護!


產品包裝:木箱或厚紙箱加泡沫保證產品安全。

貨運物流:我們合作物流(德邦)、(順豐)運輸快捷全國2-3天送達。

此文關鍵詞: 臺灣吸氣泵|小型負壓泵|電動干式泵丨美容真空泵丨模具真空泵丨東莞無油真空泵

帶*項為必填項目咨詢:JP-100H冶具負壓真空泵

* 聯系人: 請填寫您的真實姓名
* 手機號碼: 請填寫您的真實手機
E-mail:
公司名稱:
聯系地址:
*訂購意向:
* 驗證碼:   看不清?
?
24小時咨詢熱線:400-833-1195
路遙知馬力,品質見證臺冠